The self-calibrating microprocessor-controlled duct air-quality sensor is used to determine air quality based on a mixed-gas sensor/VOC sensor.
It is used to measure air quality and to quantify room air pollution caused by contaminating gases.
The air quality sensor does not trace concentrations of individual gases, but assesses the mixed gas concentration.
Detectable gases: mixed gas, vapours of VOCs, cigarette smoke, automobile exhaust gases, human exhalation, combustion smoke (from wood, paper, plastics).
The sensor‘s lifetime depends on the type of burden and gas concentration.
Specification
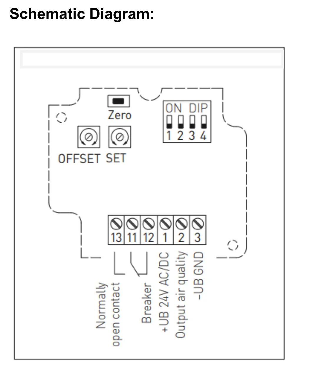
Power Supply:              24V AC / DC (± 10%)
Power Consumption:Â Â Â Â Â Â Â < 1.5W / 24V DC typical < 2.9VA / 24V AC typical Peak Current 200mA
Sensor:Â Â Â Â Â Â Â Â Â Â Â Â Â Â Â Â Â Â Â Â Â Â Â VOC sensor (metal oxide), with automatic self-calibration (VOC = volatile organic compounds)
Measuring Range:            0…100% air quality; referred to calibrating gas; multi-range switching (selectable via DIP switches) VOC sensibility low, medium, high
Output:                        0 – 10V (OV = clean air, 10V = contaminated air) or 4…20mA (selectable via DIP switches; switch point adjustable from 0…100% of output signal).
Measuring Accuracy:         ± 20% of final value (referred to calibrating gas)
Service Life:Â Â Â Â Â Â Â Â Â Â Â Â Â Â Â Â Â Â Â > 60 months
Gas Exchange:Â Â Â Â Â Â Â Â Â Â Â Â Â Â Â Â Â By diffusion
Warm-up Time:Â Â Â Â Â Â Â Â Â Â Â Â Â Â Â Â Â Â Approx. 1 hour
Ambient Temperature:       -10…+60˚C
Response Time:               Approx. 1 minute, minimum flow rate 0.2 – 0.5m/s
Electrical Connection:        0.14 – 1.5mm², via terminals
Enclosure:Â Â Â Â Â Â Â Â Â Â Â Â Â Â Â Â Â Â Â Â Â Â Plastic, material polyamide, 30% glass-globe- reinforced, with quick-locking screws (slotted / Phillips head combination), colour traffic white (similar to RAL 9016)
Enclosure Dimensions:Â Â Â Â Â Â Â Â 72 x 64 x 37.8mm (Tyr 1 without display)
Cable Gland:Â Â Â Â Â Â Â Â Â Â Â Â Â Â Â Â Â Â Â M 16 x 1.5, including strain relief, exchangeable, max. inner diameter 10.4mm
Protective Tube:               Pleuroform™, material polyamide (PA6), with torsion protection, Ø 20mm, NL = 202.5mm Vmax = 30m/s (air)
Process Connection:Â Â Â Â Â Â Â Â Â Â Â By mounting the flange, plastic (included in the scope of delivery)
Protection Class:Â Â Â Â Â Â Â Â Â Â Â Â Â Â Â III (according to EN 60730)
Protection Type:Â Â Â Â Â Â Â Â Â Â Â Â Â Â Â Â IP 65 (according to EN 60529)
Standards:Â Â Â Â Â Â Â Â Â Â Â Â Â Â Â Â Â Â Â Â Â Â CE conformity, electromagnetic compatibility according to EN 61 326, EMC Directive 2014 / 30 / EU


















Reviews
There are no reviews yet.