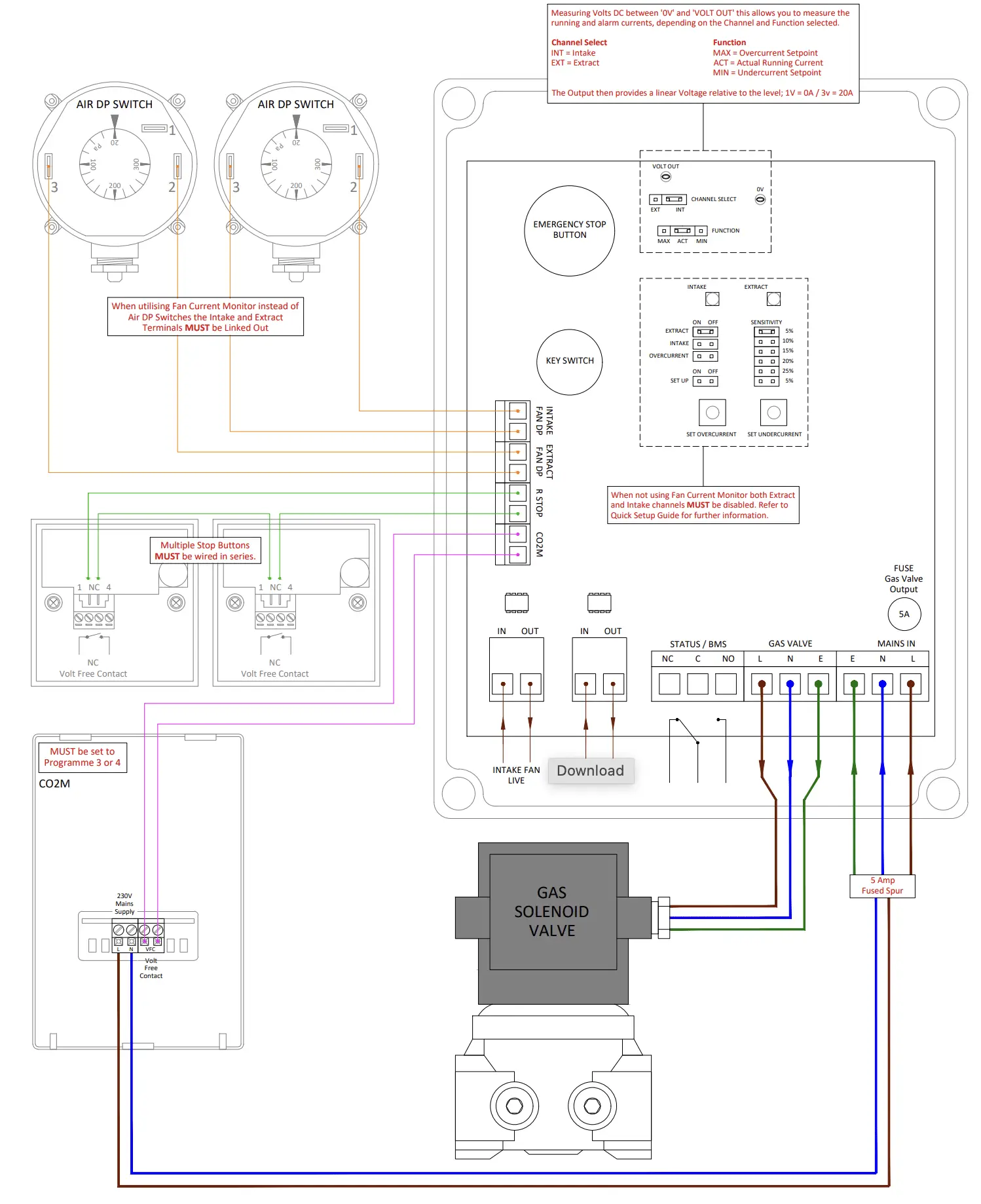
The Flamefast VentGuard Plus Interlock System is designed to ensure compliance with BS 6173 and IGEM/UP/19 standards, providing a reliable and efficient solution for gas safety in commercial kitchen environments. It offers seamless integration with extraction systems, preventing the flow of gas to appliances unless proper ventilation is detected.
The system features built-in fan current monitors for both intake and exhaust fans, enabling it to detect any ventilation issues automatically. In the event of insufficient airflow, the interlock will shut off the gas supply to maintain a safe working environment. The LED function and fault indicators provide clear visual feedback, while the ON/OFF key switch and emergency stop button offer straightforward control and quick emergency response capabilities.
Equipped with a 230 V, 5-amp connection for gas valves and 24 V interfaces for external sensors, this device is versatile and adaptable for various installations. The inclusion of built-in time delays helps prevent nuisance tripping, ensuring smooth operation without unnecessary interruptions.
The fan current rating of 15 A (at 230 V) ensures compatibility with a wide range of fan systems, making the VentGuard Plus ideal for commercial kitchens that use gas-fired equipment.
The Flamefast VentGuard Plus Interlock System provides essential safety and compliance for gas-fired kitchen extraction systems. With built-in fan current monitors, LED indicators, and a convenient ON/OFF key switch, it ensures efficient operation and fault detection. Designed for use with approved gas safety shut-off valves, it meets BS 6173 and IGEM/UP/19 standards, making it an ideal choice for commercial kitchens.
Benefits
- Fan current monitors for intake and extract fans.
- LED indicators for function and fault notifications.
- ON/OFF key switch and emergency stop button for ease of control.
- 5 A, 230 V connection for solenoid or electro-hydraulic gas safety shut-off valves.
- 24 V interfaces for external sensor connections.
- Built-in time delays to prevent nuisance tripping.
- Fan current rating: 15 A (@230 V).
- Suitable for extraction interlock systems in gas-fired kitchens.
| Brand | Flamefast |
| Standards | BS 6173 and IGEM/UP/19 |
| Amperage | 5 A |
| Dimensions | H 180 x W 130 x D 65 mm |
| Pack Contents | VentGuard panel and air differential pressure switch. |
| Power Supply | 230 V, 50 Hz |
| Suitable Application | Extraction interlock systems for gas-fired kitchens. |
| Type | Interlock Kit |
External Device
| Valve Status | SPDT – 5A @ 240V Max |
| CO2 Sensor | 24V Signal to monitor external VFC |
| Intake Fan | 24V Signal to monitor external VFC |
| Extract Fan | 24V Signal to monitor external VFC |
| Remote Stop | 24V Signal to monitor external VFC |
If you require an extra differential pressure switch, then see below or click to Air Differential Pressure Switch IP65 with Duct KitÂ
FAQ
A: Yes, this interlock system can also be used with a differential pressure switch P/N 21758
Q: What is the minimum duty size in amps or watts of the fan to be monitored
A: The range for the Fan Current Rating is 0.2 – 15A @ 230V
A: These devices do not need servicing directly, but their operation will need to be checked at the time of the annual gas service and the electrical periodic tests.








































