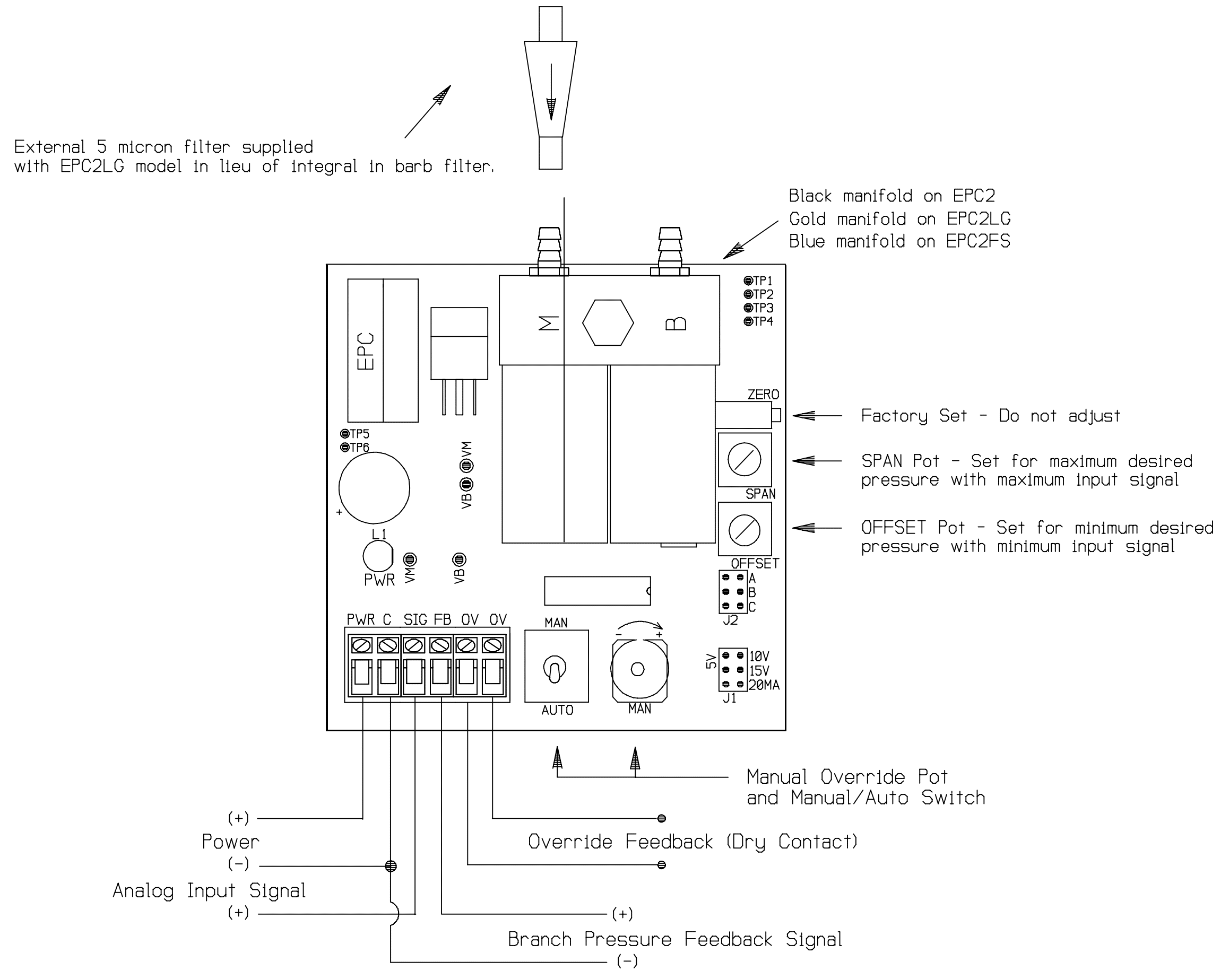
Description
The IOEPC is an electric to pneumatic transducer which converts an analogue input signal to a proportional pneumatic output. The unit will automatically modulate its control valve to regulate the branch line pressure to the selected set point as determined by the input signal. The unit offers four selectable input ranges of 0 to 5, 0 to 10, 0 to 15 VDC and 0 to 20 mA. Output pressure ranges are jumper shunt selectable for 0 to 10, 0 to 15 and 0 to 20 psig, and adjustable in all ranges. A 0-5 VDC feedback signal indicating the resultant branch line pressure, is also provided. This signal varies linearly with branch pressure range selected. EPC’s are designed with electrical terminals on one end and pneumatic connections on the other, allowing for maximum convenience in wiring and tubing installation when panel mounted.
Specification
Power Supply Voltage: 24 VDC (+10%/-5%) / 24 VAC (+/-10%) 50/60Hz at terminals
Supply Current: 180mA max.
Feedback Signal Output: Factory calibrated 0-5 VDC
Input Signal Ranges: 0-5 VDC @ infinite ohms / 0-10 VDC@ Infinite ohms / 0-10 VDC@ Infinite ohms / 0-20mA @ 250 ohms
Air Supply: Maximum 25 psig 172.38 kPa) / minimum 18 psig (124.11 kPa)
Main Air Supply: 0-10 psig ( 68.95 kPa) / 0-15 psig (103.43 kPa) / 0-20 psig (137.9 kPa) jumper selectable output pressure ranges.
Accuracy: 1% full scale at room temperature / 2% full scale @ 0 to 48.8°C
Override Contact Rating: 24 VAC or 24 VDC, 1 A maximum







Reviews
There are no reviews yet.